Каталог товаров
-
Радиоизмерительные приборы
- Анализаторы сигналов
- Анализаторы спектра
- Антенны измерительные
- Антистатическое оборудование
- Аттенюаторы
- Аттенюаторы и приборы для измерения ослабления
- Блоки измерителей КСВН
- Вентили
- Вольтметры
- Вольтметры селективные, измерители напряжения помех и антенны измерительные
- Генераторы
- Другие измерители
- ЗИПы к приборам
- Измерители
- Измерители LCR
- Измерители RLC
- Измерители АЧХ (амплитудно-частотных характеристик
- Измерители добротности
- Измерители комплексных коэффициентов передачи
- Измерители КСВН
- Измерители модуляции
- Измерители мощности
- Измерители мощности и преобразователи мощности
- Измерители напряженности электромагнитного поля
- Измерители нелинейных искажений
- Измерители неоднородностей кабелей и линий
- Измерители параметров антенн
- Измерители полных сопротивлений Р3
- Измерители разности фаз
- Измерители Ф
- Измерители шума и вибрации (шумомеры
- Измерители шумовых параметров
- Испытатели параметров радиодеталей
- Источники питания, стабилизаторы напряжения
- Кабельные приборы
- Линии измерительные
- Наборы мер
- Нагрузки волноводные
- Нагрузки коаксиальные
- Осциллографы
- Приборы диагностики и устройства защиты электромоторов
- Приборы для измерения параметров электрического и магнитного поля
- Приборы промышленности связи
- Принадлежности к селективным вольтметрам SMV
- Трассоискатели
- Усилители измерительные
- Установки для поверки, калибровки и метрологических измерений
- Фильтры
- Частотомеры, синтезаторы, стандарты частоты
- Аксессуары
-
Электроизмерительные приборы
- Амперметры лабораторные
- Ваттметры, варметры лабораторные
- Веберметры
- Вольтметры
- Гальванометры
- Для устройств сигнализации, централизации и блокировки железнодорожного транспорта
- Измерители и тестеры параметров УЗО
- Измерители магнитной индукции
- Измерители сопротивления
- Измерительные приборы
- Индикаторы порядка чередования фаз
- Источник питания
- Калибраторы сигналов и поверочное оборудование
- Калибраторы, компараторы, поверочные установки
- Клещи электроизмерительные
- Комплектные трансформаторные подстанции КТП
- Комплекты измерительные
- КТП и трансформаторы специального назначения
- Логические анализаторы устройств
- Люксметры
- Меры и магазины
- Мосты измерительные
- Мосты, магазины, меры сопротивления
- Омметры (измерители сопротивления)
- Осциллографы
- Осциллографы зарубежного производства
- Преобразователи измерительные
- Приборы для измерения разные
- Приборы для проверки генераторов, стартеров и обмоток электрических машин
- Приборы для энергетики, ЖД, защиты коррозии
- Пробойные установки
- Растяжки к измерительным приборам
- Реакторы
- Регистраторы напряжения и тока
- Реостаты
- Реостаты ползунковые
- Синтезаторы и стандарты частоты
- Тесламетры
- Тестер
- Тестеры, приборы комбинированные
- Токоизмерительные клещи
- Трансформаторы
- Усилители мощности
- Фазометры лабораторные
- Фазоуказатели
- Фарадометры
- Цифровые мультиметры
- Частотомеры
- Частотомеры лабораторные
- Щитовые аналоговые приборы
- Щитовые цифровые приборы
- Электронные нагрузки
- Элементы нормальные
-
Контрольно-измерительные приборы
- Блоки питания и заряда
- Блоки чувствительных элементов
- Вакуумметры
- Вторичные самопишущие приборы
- Датчики оптические
- Датчики оптоволоконные
- Датчики сило- и весоизмерительные
- Датчики температуры
- Запально-защитные устройства
- Изделия для монтажа проводок и приборов
- Измерители температуры
- Ионизационные камеры
- Кварцевые резонаторы
- КИП разные
- Кондуктомеры
- Контроллеры
- Лаги
- Манометры
- Насосы
- Оборудование АПК
- Преобразователи
- Преобразователи 200ых и 300ых моделей
- Преобразователи весовые (терминалы весовые
- Приборы воздухоподготовки
- Приборы для анализа воздуха
- Приборы для атомной, нефтеперерабатывающей, газодобывающей, химической промышленности
- Приборы для дорожно-строительной техники
- Приборы для измерения давления
- Приборы для контроля, сигнализации и управления
- Пульты управления
- Разные, в ассортименте
- Расходомеры
- Регистраторы и регуляторы температуры
- Регуляторы влажности
- Реле времени, таймеры
- Реле потока
- Реле фаз, напряжения
- Ротаметры
- Сигнализаторы автоматические универсальные
- Сигнализаторы уровня ультразвуковые
- Системы для измерения расхода пищевой алкогольной продукции
- Системы измерительные
- Системы одоризации и комплектующие изделия
- Системы плазменного воспламенения для газотурбинных двигателей
- Стабилизатор потока газа
- Станочное и электрооборудование
- Счетчики
- Термометрические приборы
- Термопреобразователи первичные
- Тестеры
- Устройства защитного отключения
- Шахтное оборудование
- Электропневмоклапаны и электромагниты
-
Лабораторное оборудование
- Анализаторы, кислородомеры
- Анемометры, термоанемометры
- Ареометры
- Барометры
- Бетоноскопы
- Весы лабораторные
- Вискозиметры
- Газоанализаторы
- Газоизмерительная техника
- Гигрометры, термогигрометры
- Гири
- Граммометры
- Дальномеры
- Дефектоскопы
- Динамометры и крановые весы
- Дистилляторы
- Дозиметры, радиометры
- Запчасти
- Излучатели
- Измерители влажности
- Измерители другие
- Измерители прочности, плотности и адгезии строительных материалов
- Измерители разности потенциалов
- Ионизаторы
- Иономеры
- Испытательное оборудование
- Компасы магнитные
- Копры
- Лабораторное оборудование разное
- Манометры грузопоршневые
- Машины для испытаний на трение и износ
- Метеометры
- Метеорологическое оборудование
- Микрофоты
- Микрохолодильники
- Ограничители грузоподъемности
- Октанометры
- Оптические и оптико-механические приборы
- Пирометры
- Планиметры
- Пневмоинструменты
- Преобразователи к дефектоскопам
- Приборы для контроля арматуры и толщины покрытий
- Приборы для теплофизических и тепловых измерений
- Приспособления и принадлежности к разрывным машинам
- Пробоотборные устройства
- Разделители мембранные
- Разрывные машины
- Ремкомплекты
- Рентгеновские системы
- Секундомеры
- Системы сигнализации
- Средства диагностики и защиты
- Станки
- Стерилизаторы
- Твердомеры для металлов
- Твердомеры для неметаллов
- Течеискатели
- Толщиномеры
- Указатели и сигнализаторы напряжения
- Фонари аккумуляторные
- Штурманское оборудование
- Электроды
-
Измерительные инструменты, калибры
- Бруски контрольные
- Глубиномеры
- Детекторы
- Железнодорожные шаблоны
- Измерители лазерные дистанционные
- Измерительные инструменты разные
- Индикаторы
- Калибр-кольцо резьбовой
- Клейма
- Кубы поверочные из твердокаменных пород
- Лазерные нивелиры
- Линейка усадочная
- Линейки
- Линейки для проверки схождения колес
- Линейки из твердокаменных пород
- Меры
- Метрошток
- Метчики машинные для метрической резьбы
- Микрометрические головки
- Микрометры
- Ножи измерительные
- Нутромеры
- Образцы шероховатости
- Опрессовка наконечников
- Пластины стеклянные
- Плашки круглые для метрической резьбы
- Плита поверочная гранитная
- Плита поверочная чугунная
- Приборы для контроля сварных швов
- Приборы специальные
- Призмы поверочные
- Проволочки измерительные
- Резка
- Ротационные лазерные нивелиры
- Рулетки
- Скобы
- Стенд контроля перпендикулярности изделия
- Стенкомеры
- Стойки и штативы
- Угломеры
- Угольники
- Уровни
- Уровни алюминиевые
- Штангенинструмент
- Щупы, шаблоны радиуса, сварщика Красовского
-
Радиокомпоненты и радиодетали
-
Сельсины, вращающиеся трансформаторы, электродвигатели
- Вентиляторы
- Двигатель-генераторы
- Муфты электромагнитные
- Преобразователи угла
- Сельсины
- Тахогенераторы
- Трансформаторы вращающиеся
- Трансформаторы масштабные МТ
- Фазорегуляторы
- Электродвигатели
- Электродвигатели асинхронные
- Электродвигатели Д
- Электродвигатели ДАК
- Электродвигатели ДБМ
- Электродвигатели ДБУ
- Электродвигатели ДКМР
- Электродвигатели ДМ
- Электродвигатели ДП
- Электродвигатели ДПМ
- Электродвигатели ДПН
- Электродвигатели ДПР
- Электродвигатели ДР
- Электродвигатели ДРС
- Электродвигатели ДСОР
- Электродвигатели коллекторные УЛ
- Электродвигатели переменного тока
- Электродвигатели постоянного тока
- Электродвигатели реверсивные
- Электродвигатели СЛ
- Электродвигатели шаговые
- Электродвигатели, сельсины
- Электромеханизмы
- Электроприводы
-
Приборы для измерения вибрации
-
Промышленные разъемы (соединители)
Наши новости
Новые осциллографы от GW Instek
Компания GW Instek анонсировала выход новой серии комбинированных осциллографов серии MPO-72000.
Подписка на новости магазина
Подпишитесь на рассылку и получайте свежие новости и акции нашего магазина.
- Главная страница
- •
- Каталог радиоприборов
- •
- Промышленные разъемы (соединители)
- •
- Разъемы низкочастотные цилиндрические
- •
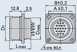
- РС19БТВ вилка с кожухом







